Get a Quote

INDUSTRIAL ENGINEERING

INDUSTRIAL ENGINEERING

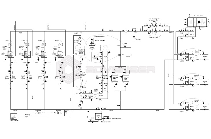
Piping & Instrumentation diagram

Spool drawing

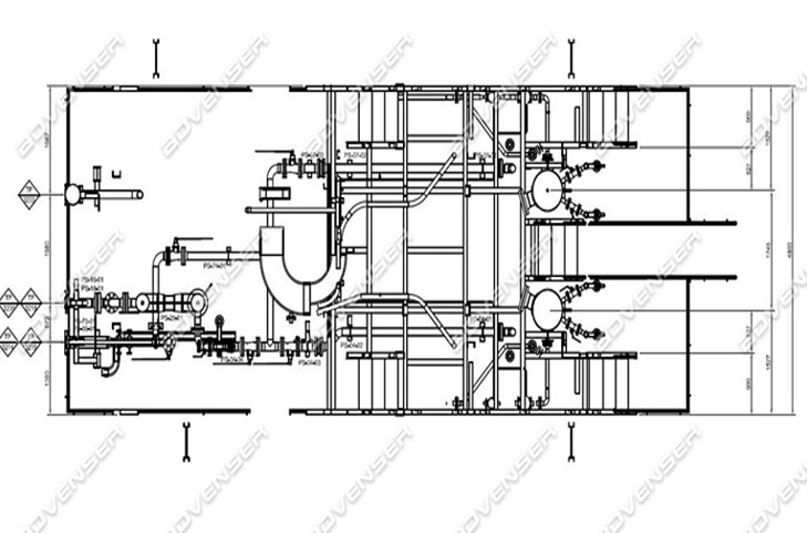
General Arrangement drawing

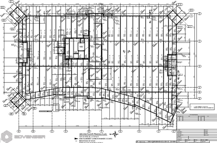
Structural Frame arrangement

Browse through our work samples

Look no further. Contact us today.

    Discuss Your BIM Requirements

    Share your project details and our team will respond within 24 hours.